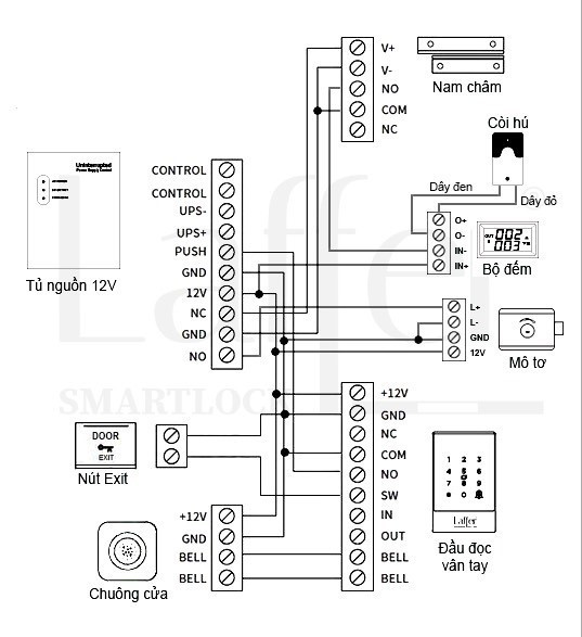
Bộ kiểm soát Urbanhome S5

Mã sp: UHS5-1
Thương hiệu: Urbanhome   |   Tình trạng: Còn hàng
7.500.000₫ 8.900.000₫ Sale
Mô tả đang cập nhật
Chức năng

Miễn phí vận chuyển

Cho đơn hàng từ 1.999.000đ

Miễn phí đổi, sửa hàng

Đổi hàng trong 30 ngày kể từ ngày mua Hỗ trợ sửa đồ miễn phí

Thông tin chi tiết sản phẩm

- Chức năng: 7 trong 1 ( Vân tay, mật mã số, thẻ từ, chìa khóa điện tử, mật khẩu tạm thời, Bluetooth/ App 28 ngôn ngữ (IOS/ Android))
-  Chất liệu: Nhựa ABS chống cháy và hợp kim.
-  Nguồn hoạt động: Bộ lưu điện
-  Kích thước: (Dài, Rộng, Cao): 80 x 30 x 19mm
-  Tiêu chuẩn: Bluetooth 4.0BLE    
-  Phần mềm: Sciener (IOS/ Android) với 28 ngôn ngữ. Bao gồm ngôn ngữ chính: Anh, Việt.  
-  Loại cửa: Cửa ngoài trời ( Sắt, nhôm), Cửa trong nhà, chung cư( Cửa gỗ, cửa nhựa, cửa nhựa lõi thép...)
-  Màu: Đen
-  Bảo hành 12 tháng.

Chất liệu

Khóa thông minh
Khóa Urbanhome A3 ( Sang trọng, gọn nhẹ)
Bộ kiểm soát Urbanhome S4 ( Quản lý lên đến 500 vân tay)
Bộ kiểm soát Urbanhome S3F ( Nhận diện khuông mặt)
Bộ kiểm soát Urbanhome S2

Bộ kiểm soát Urbanhome S2

7.500.000₫  8.900.000₫

NHẬP THÔNG TIN KHUYẾN MÃI TỪ CHÚNG TÔI

icon icon icon icon

Giỏ hàng